隨著技術的發展,我國傳感器好產品也是不斷創新研發,下面來推薦下國產好貨因泰立ILS-F10激光掃描傳感器,感興趣的可以關注了解下;該產品可以較好的替代SICK 1系列產品,LMS11, LMS141, LMS151等產品
ILS-F10 激光掃描測量傳感器采用時間飛行(TOF)測距原理,融合了光學、電學、機械運動學等多學科領域前沿技術,實現在 270°視場角、30 米距離范圍
內的±3cm 的精確測量。ILS-F10 是一款工業級別的掃描式激光測量傳感器,對使用環境要求寬泛,室內、室外均能可靠工作,特別是采用了智能多次回波技術、精確溫控系統以及可靠密閉性設計,使得其在惡劣天氣如雨、霧、雪、高低溫環境下依然能夠保證可靠工作。
? 激光防護等級 1 級,人眼安全
? 大視場、長距離、高速、精確測量 0°~270°/30m/50Hz/±3cm
? 智能回波處理技術,適合雨、霧、雪等惡劣環境
? 精確溫控設計,工作溫度范圍-30℃~+50℃
? 可靠密閉設計,IP67
ILS-F10應用場合
? AGV 智能車
? 安全區域監控
? 車型識別
? 交通流量統計
? 避障與導航
? 智能機器人
ILS-F10性能參數
項目 技術參數 項目 技術參數
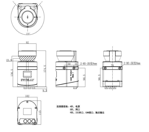
掃描角度范圍 0°- 270° 外殼尺寸 174.5mm * 115mm * 102mm
角度分辨率 0.5° 回波處理 多次回波,智能選擇
測量距離范圍 0~30m 激光波長 905nm
測量距離精度 ±3cm 工作環境
溫度:-30℃~+50℃
最大相對濕度:95%
掃描頻率 50Hz 防護等級 IP67
激光安全等級
符合 GB7247.1-2012
1 類激光人眼安全要求
外殼材料 鋁合金
供電電源
DC24V±10%
功率≥38W(其中工作
功耗 8W,加熱功耗
30W)
開關量輸出
2 路繼電器輸出,兩端電
壓 0-400V ( DC or AC
peak),電流≤120mA
通訊接口
1 路 Ethernet
1 路 RS232
1 路 CAN
重量 1.25Kg
ILS-F10管腳定義
針腳 電源線-四芯航空插頭 網口線-五芯航空插頭 信號線-九芯航空插頭
1 +24V DC(加熱電源正) RX+ CH(CAN_H)
2 0V DC(加熱電源地) RX- CL(CAN_L)
3 +24V DC(工作電源正) TX- TX(RS232 信號發送)
4 0V DC(工作電源地) TX+ RX(RS232 信號接收)
5 GND(RS232 信號地)
6 OUT11(檢測結果觸點輸出)
7 OUT12 (檢測結果觸點輸出)
8 OUT21 (檢測結果觸點輸出)
9 OUT22 (檢測結果觸點輸出
ILS-F10設備接口:

外形尺寸




